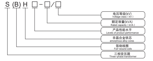
Model Number and Meaning

SH15-M sealed amorphous alloy power transformer series products introduction
This product is fully oil-filled sealed type. The principle is the same as the sealed power transformer. The basic elements of non-product alloy are iron, nickel, drilling, boron, carbon and other components. It is a kind of isotropic soft broken material, magnetization power is small, there is no structural defects that hinder the movement of sleeping police.
